- 集团网站
- 选择区域/语言
登录
1,全面支持ONVIF
及GB/T28181 标准
2,64路H.265/H.264混合接入实时录像
3,支持HDMI超高清4K显示
4,支持2个HDMI和1个VGA,双屏拼接、扩展
5,支持2个千兆网卡
6,4个通道录像同步回放
7,接入图像质量12MP/8MP/6MP/5MP/3MP/1080p/720P
8,360M接入/360M存储/300M转发
9,16个SATA硬盘接口,最大支持6TB硬盘
| APG-NVR-9964UN-3U | ||
| 系统 | 主处理器 | 工业级嵌入式微控制器 |
| 操作系统 | 嵌入式LINUX操作系统 | |
| 系统资源 | 360M接入/360M存储/300M转发 | |
| 视频参数 | 画面显示 | 1/4/8/9/16/32画面显示(双屏拼接、扩展) |
| 录像图像质量 | 12MP/8MP/6MP/5MP/3MP/1080P/720P/D1/CIF | |
| 视频压缩标准 | H.265/H.264 | |
| 码流类型 | 限定码流,可变码流 | |
| 回放图像质量 | 4K/1080P/720P/D1/CIF/QCIF | |
| 录像管理 | 本地回放 | 支持4路同步回放 |
| 录像查询方式 | 智能时间标签、时间点检索、日历检索、事件检索、通道检索 | |
| 录像保存 | 本机硬盘/网络 | |
| 备份方式 | 网络/USB/本机硬盘 | |
| 视频 | 视频输入 | 64路H.265/H.264混合接入 |
| VGA输出 | 1路VGA(最高1080P显示输出) | |
| HDMI输出 | 2路HDMI,HDMI1(最高4K显示输出),HDMI2(最高1080P显示输出) | |
| 音频 | 音频压缩 | G.711 |
| 音频对讲输入 | 1路BNC | |
| 音频输出 | 1路BNC | |
| 外部I/O | 报警输入 | 16路报警输入 |
| 报警输出 | 4路继电器输出(24V DC 2A,120V AC 1A) | |
| RS485接口 | 2个RS485 | |
| RS232接口 | 1个RS232 | |
| USB接口 | 2个USB2.0和1个USB3.0 | |
| 硬盘 | 硬盘个数及接口 | 4个Mini SAS接口,16个硬盘 |
| 硬盘容量 | 3.5”500/750GB/1TB/2TB/3TB/4TB/6TB , SATA 磁盘 | |
| RAID类型 | RAID0,1,5,10 | |
| 硬盘安装 | 支持热插拔 | |
| 网络特性 | 网络键盘 | 支持 |
| 网络接口 | 2个RJ45 10M/100M/1000M自适应以太网口 | |
| 电气特性 | 电源 | AC220V |
| 功耗 | <35W(不含硬盘) | |
| 物理特性 | 工作温度 | +10℃~+55℃ |
| 工作湿度 | 10%~90% RH | |
| 大气压 | 86kpa~106kpa | |
| 机箱 | 19英寸标准3U机箱 | |

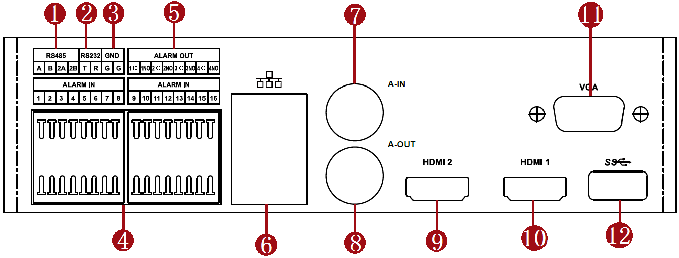
1
–RS485
2
–RS232
3
–接地
4
–报警输入
5
–报警输出
6
–报警输出
7
–网络接口
8
–音频输入
9
–音频输出
10
–HDMI接口
11
–HDMI接口
12
–VGA接口
13
–USB接口